Pavel Scheufler | jspro.cz jspro@jspro.cz608 35 16 32Pondělí - Pátek: 9.00 - 12.00 13.00 - 16.00
Přihlásit
Košík
je prázdný
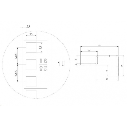
TRITON Vertikální lišta 15U, cena za 1ks
Popis a parametry
TRITON Vertikální lišta 15U, cena za 1ks
Vertikální lišta 15U.
Značení unitů je provedeno laserovým popisovačem.
.
ParametryPorovnání
Typ příslušenství
Podstavce, lišty
TRITON Vertikální lišta 15U, cena za 1ks
Naposledy navštívené





